Control mode: V/F control, support settable V/F curve
Carrier frequency: 6kHz
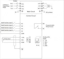
Communication interface: Built-in Modbus, RS485 communication, baud rate up to 19200bps
Protection level: IP20
Cooling mode: forced air cooling
Overload capacity: 150% for 1 minute, 180% for 10 seconds, interval of 10 minutes (anti-time limit characteristic)
input voltage range:
Single phase model (2S series): 200V~240V,50Hz/60Hz, allowable voltage range 180V~260V
Three-phase model (4T series): 380V~480V,50Hz/60Hz, allowable voltage range 342V~528V
Function characteristics of frequency converter
Automatic torque increase: automatically adjust the output torque according to the load situation to ensure smooth operation of the motor.
Automatic slip compensation: improve the speed stability of the motor when the load changes.
Multiple protection functions: including overcurrent, overvoltage, undervoltage, overheating and other protection mechanisms.
Energy saving operation: By optimizing V/F curve and load matching, energy consumption is reduced by 812.
application scenarios
CV20-2S series: suitable for small single-phase motor drive, such as household equipment, small fans, pumps, etc.
CV20-4T series: suitable for industrial three-phase motor drive, such as conveyor belt, compressor, machine tool, etc
0
12 views
Reviews
Reviews
Q How to make a payment?
E****R 18/11/2024
A We accept various payment methods including bank transfers, credit cards, and PayPal. Please refer to our payment page during checkout for detailed instructions on how to complete your payment. If you have any questions or need assistance with payment, please contact our customer support team.
18/11/2024
Q How will the products be shipped?
T****k 16/08/2024
A We ship products through reliable courier services such as DHL, UPS, and FedEx. Shipping fees and delivery times may vary depending on the destination. You will receive a tracking number once your order has been dispatched, allowing you to track the status of your shipment. Please note that shipping times may vary based on location and availability.
16/08/2024
Q How is warranty provided?
L****Y 08/05/2024
A We offer a warranty on all of our products. The warranty period and conditions vary depending on the product category. For specific warranty information, please refer to the product page or your purchase agreement. If you encounter any issues with a product during the warranty period, please contact our customer service team with your proof of purchase, and we will guide you through the warranty claim process.
08/05/2024














