Y1TA100QXT3 Laser Distance Sensor Time of Flight
- 2 mutually independent switching outputs
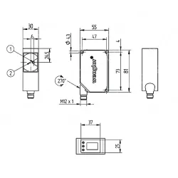
- Graphical display for easy operation
- Switching output A1 as analog output switchable (0...10 V/4...20 mA)
- Temperature drift eliminable
| Optical Data | |
| Working Range | 0.1 ... 10.1 m |
| Measuring Range | 10 m |
| Resolution | 1 ... 12 mm |
| Linearity | 0.5 % |
| Linearity Deviation | 50 mm |
| Switching Hysteresis | 3 ... 20 mm |
| Light Source | Laser (red) |
| Wavelength | 660 nm |
| Service Life (T = +25 °C) | 100,000 h |
| Laser Class (EN 60825-1) | 2 |
| Max. Ambient Light | 10,000 Lux |
| Beam Divergence | < 2 mrad |
| Light Spot Diameter | see Table 1 |
| Reflector required | no |
| Electrical Data | |
| Supply Voltage | 18 ... 30 V DC |
| Current Consumption (Ub = 24 V) | < 100 mA |
| Switching Frequency | 50 Hz |
| Measuring Rate | 1 ... 100 /s |
| Response Time | 10 ... 200 ms |
| On-/Off-Delay | 0 ... 10,000 ms |
| Temperature Drift (-10 °C < Tu < 50 °C) | < 0.2 mm/K |
| Temperature Drift (Tu < -10 °C, Tu > 50 °C) | < 0.4 mm/K |
| Temperature Range | -25 ... 60 °C |
| Number of Switching Outputs | 2 |
| Switching Output Voltage Drop | < 2.5 V |
| Switching Output/Switching Current | 200 mA |
| Analog Output | 0...10 V |
| Short Circuit Protection | yes |
| Reverse Polarity Protection | yes |
| Overload Protection | yes |
| Protection Class | III |
| FDA Accession Number | 0710891-002 |
| Mechanical Data | |
| Setting Method | Menu (OLED) |
| Housing Material | Plastic, ABS |
| Plastic, PC | |
| Optic Cover | Plastic, PMMA |
| Degree of Protection | IP68 |
| Connection | M12 × 1; 4-pin |
| Weight | 80 g |
| Safety-relevant Data | |
| MTTFd (EN ISO 13849-1) | 346.68 a |
| Output | |
| Error Output | yes |
| PNP NO | yes |
| Configurable as PNP/NPN/Push-Pull | yes |
| Analog Output | yes |
| Adjustable parameters | |
| Analog output | 0...10 V |
| 4...20 mA | |
| Output | Analog Output |
| Error Output | |
| Push-pull | |
| NPN | |
| PNP | |
0
12 Views
Reviews
Reviews
Q How to make a payment?
E****R 18/11/2024
A We accept various payment methods including bank transfers, credit cards, and PayPal. Please refer to our payment page during checkout for detailed instructions on how to complete your payment. If you have any questions or need assistance with payment, please contact our customer support team.
18/11/2024
Q How will the products be shipped?
T****k 16/08/2024
A We ship products through reliable courier services such as DHL, UPS, and FedEx. Shipping fees and delivery times may vary depending on the destination. You will receive a tracking number once your order has been dispatched, allowing you to track the status of your shipment. Please note that shipping times may vary based on location and availability.
16/08/2024
Q How is warranty provided?
L****Y 08/05/2024
A We offer a warranty on all of our products. The warranty period and conditions vary depending on the product category. For specific warranty information, please refer to the product page or your purchase agreement. If you encounter any issues with a product during the warranty period, please contact our customer service team with your proof of purchase, and we will guide you through the warranty claim process.
08/05/2024


























